説明
AS-drive(面接触)で、より高品質なHPQシリーズの3/8"SQソケット。
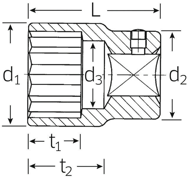
12角タイプ。
【仕様】
差込角(SQ;inch):3/8
サイズ(mm):24
全長(L;mm):35
ソケット部外径(d1;mm):31.5
差し込み部外径(d2;mm):24
ソケット中間空洞部内径(d3;mm):21
ボルト接触部内面奥行き(t1;mm):18
最大奥行き(t2;mm):21.2
質量(g):92
メーカー名:STAHLWILLE(スタビレー)
メーカー品番:45-24
スタビレー品番:02010024
商品名:45-24 (3/8SQ)ソケット (12角) (02010024)
JANコード:4018754149148
【ブランド紹介】
STAHLWILLE(スタビレー)
1862年にドイツで誕生した、世界屈指の「総合工具メーカー」。
高精度・高耐久の工具を揃え、航空機メンテナンスから風車の点検整備といった過酷な現場でも活躍。
人間工学に基づいた設計により、工具が手にしっかりフィットし、薄型・軽量でありながら高い強度を誇る。
代表作である板バネ式トルクレンチは、世界中のユーザーから絶大な信頼を獲得している。


