説明
【仕様】
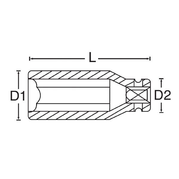
差込角(SQ):1/2
適合ピン:23574
適合Oリング:23554
サイズ(mm):17
全長(L;mm):78.0
先端部ソケット外径(D1;mm):26.0
差込部ソケット外径(D2;mm):26.0
※ピン・リングは付属しておりませんので、別途お買い求め下さい。
※安全のために、ピン・リングを必ずご利用ください。
メーカー名:SIGNET(シグネット)
メーカー品番:23267
商品名:23267 1/2DR 17MM ディープ インパクト ソケット
JANコード:4712818956863
【ブランド紹介】
SIGNET(シグネット)
シグネットは1990年にカナダで誕生した工具ブランド。ミラー仕上げの美しいデザインと世界基準を超える品質で、多くのユーザーに選ばれています。高性能でありながらコストパフォーマンスにも優れ、プロの現場でも信頼を集めています。


