説明
ボルテックスラチェット専用ソケット。
一般のソケットと同様の強度を保ちながら、ギリギリまで肉厚を削ぎ落としています。
ボルト・ナットを痛めない面接触タイプ。
貫通式なので長いボルトの先にあるナット等も容易に回すことができます。
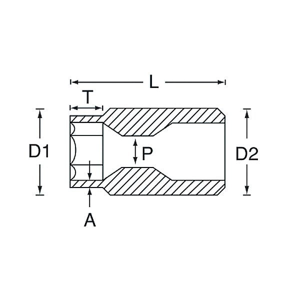
【仕様】
サイズ(mm):14
全長(L;mm):32
先端部外径(D1;mm):19.0
差込部外径(D2;mm):19.5
寸法P(mm):10.5
差込み深さ(T;mm):8.5
ソケット肉厚(A;mm):2.5
※通常ドライブのラチェットハンドルには使用できません。
メーカー名:SIGNET(シグネット)
メーカー品番:20514
商品名:20514 * ボルテックスソケット 14MM(差込角20MM)
JANコード:4712818951349
【ブランド紹介】
SIGNET(シグネット)
シグネットは1990年にカナダで誕生した工具ブランド。ミラー仕上げの美しいデザインと世界基準を超える品質で、多くのユーザーに選ばれています。高性能でありながらコストパフォーマンスにも優れ、プロの現場でも信頼を集めています。


