説明
ボルト・ナットを傷めない面接触タイプ。
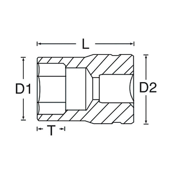
【仕様】
差込角(SQ):3/4
サイズ(mm):50
全長(L;mm):71
先端部ソケット外径(D1;mm):68
差込部ソケット外径(D2;mm):59
ソケット深さ(T;mm):44
メーカー名:SIGNET(シグネット)
メーカー品番:14382
商品名:14382 3/4DR 50MM ソケット
JANコード:4712818936520
【ブランド紹介】
SIGNET(シグネット)
シグネットは1990年にカナダで誕生した工具ブランド。ミラー仕上げの美しいデザインと世界基準を超える品質で、多くのユーザーに選ばれています。高性能でありながらコストパフォーマンスにも優れ、プロの現場でも信頼を集めています。


