説明
ボルト・ナットを傷めない面接触タイプ。
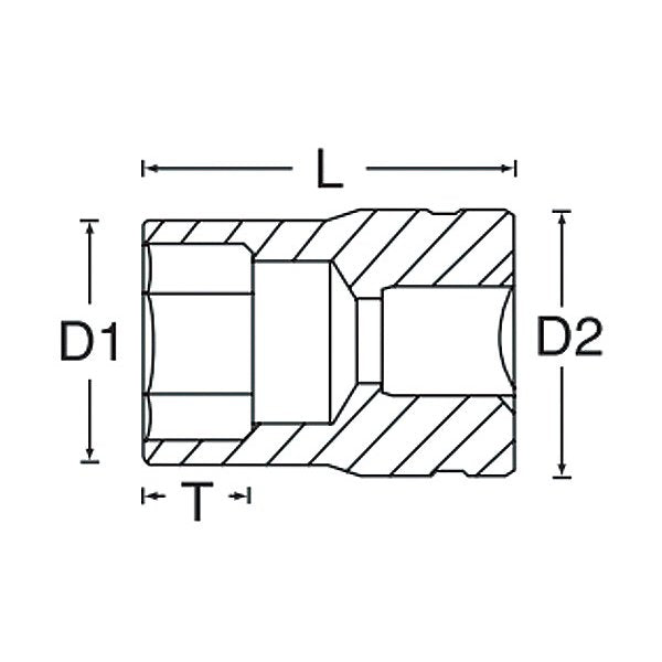
【仕様】
差込角(SQ):3/4
サイズ(mm):21
全長(L;mm):51
先端部ソケット外径(D1;mm):32
差込部ソケット外径(D2;mm):36
ソケット深さ(T;mm):16
メーカー名:SIGNET(シグネット)
メーカー品番:14353
商品名:14353 3/4DR 21MM ソケット
JANコード:4712818936384
【ブランド紹介】
SIGNET(シグネット)
シグネットは1990年にカナダで誕生した工具ブランド。ミラー仕上げの美しいデザインと世界基準を超える品質で、多くのユーザーに選ばれています。高性能でありながらコストパフォーマンスにも優れ、プロの現場でも信頼を集めています。


