説明
現場で選ばれる定番、KITO「キトーマイティM3」。
破断応力1000N/mm2以上の世界最高レベルロードチェーンと抜群のブレーキ性能で、確実・安全な荷役作業を支えます。
機械効率が高く、少ない手動力でスムーズに操作可能。
極限設計により超小型・軽量化を実現し、設置・持ち運び・狭所作業も快適です。
■メーカー/型式
・メーカー:(株)キトー(KITO)
・品番:CB020
・JAN:4937773010041
・シリーズ:キトーマイティ M3形(手動チェーンブロック)
■特長
・高効率機構:最小の手動力で優れた作業性
・世界最高レベルのロードチェーン:破断応力1000N/mm2以上
・高信頼ブレーキ:荷保持性に優れ、安心の停止性能
・超小型・軽量:取り扱い容易、狭所や高所作業にも最適
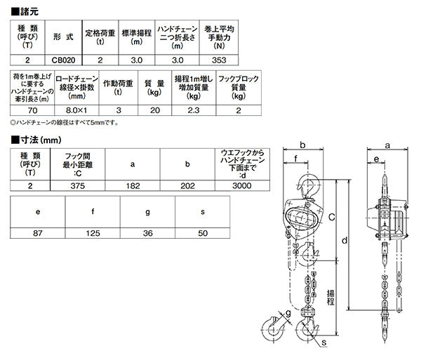
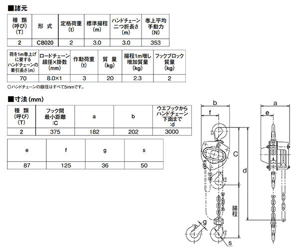
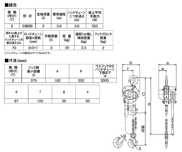
■仕様
・定格荷重:2.0t(呼び:2)
・標準揚程:3.0m
・フック間最小距離:375mm
・ロードチェーン長:3.0m(材質:特殊合金鋼)
・ハンドチェーン長:3.0m
・質量:約20kg
■用途例
・設備据付・保守、工場内荷役、建設・配管・電設工事、車輛・農機整備など
■ご使用上の注意
・定格荷重を超える吊り上げは厳禁です。
・荷は必ず下フック中心に正掛けしてください。
・初回使用前および定期的に作動・摩耗・腐食・変形を点検してください。
・油脂や異物の付着は動作不良の原因になります。清潔に保ってください。






